概述
KNS係列的離網逆變器是光伏和風力係統新一代專用電源,主要針對光伏發電和風力發電,采用先進的正弦波脈寬調製(SPWM)技術,主電路采用德國英飛淩IGBT模塊,驅動保護為日本三菱厚膜電路,具有可靠性高、保護功能全、波形失真小、功率大等優點。
主要特點
(1)主電路采用美國INTEL公司微處理器、德國英飛淩公司IGBT模塊、驅動保護為日本三菱機芯,輸出部分采用隔離變壓器,安全可靠
(2)采用SPWM脈寬調製技術,輸出為穩頻穩壓、失真度低的純淨正弦波
(3)全橋電路結構,適用於任何負載
(4)直流輸入端采用先進的反灌雜音抑製技術,交流輸入端采用多重濾波,消除市電電網的幹擾,與其他共用直流屏的通訊設備互不幹擾
(5)交流旁路不間斷切換
(6)具有全方位的電源保護方案和完善的自我檢測和保護功能。在出現直流輸入電壓過低告警、輸出過載告警、過熱告警及短路時,電源將關閉逆變輸出,故障排除後,手動複位電源正常工作;輸入欠壓保護故障消除後輸出將自動恢複
(7)電路結構緊湊、效率高、功能強
(8)組屏安裝,美觀大方
(9)默認防護等級為IP22(可根據需要定製防護等級)
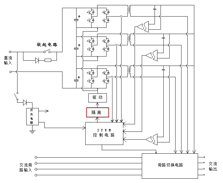
1. 單相光伏/風力離網樱桃视频免费观看视频大全
係統工作原理
樱桃视频免费观看视频大全在逆變正常時,直流逆變輸出經過切換開關直接輸出給負載供電,當逆變故障時,電源可以迅速切換至旁路供電狀態,轉換時間≤200ms(精密負載可選配<10ms的快切款),給負載提供不間斷供電,當逆變再次正常時,電源會自動切換至逆變供電模式;具體原理如下圖:

單相樱桃视频免费观看视频大全原理示意圖
單相樱桃视频免费观看视频大全顯示頁麵
1) 主頁麵

2) 故障信息子頁麵

3) 數據顯示子頁麵

單相樱桃视频免费观看视频大全技術指標
型 號 | KNS–D–*K | ||||||||
功率(KVA) | 1K | 5K | 10K | 20K | 30K | 50K | 75K | 100K | |
直 流 輸 入 | 輸入額定電壓(VDC) | 48V、96V、120V、192V、240V、360V、420V、480V | |||||||
輸入電壓可定製 | 24V-1000V區間可定製 | ||||||||
交流 輸入 | 允許輸入電壓範圍(VAC) | 220±15% | |||||||
輸入頻率範圍(Hz) | 50Hz±5Hz | ||||||||
旁路轉換時間(ms) | ≤200或<10(選配) | ||||||||
交 流 輸 出 | 輸出額定電壓及頻率 | 220VAC,50Hz | |||||||
輸出電壓精度(V) | 220±1% | ||||||||
輸出頻率精度(Hz) | 50±0.1% | ||||||||
輸出額定電流(A) | 4.5 | 22.7 | 45.5 | 91 | 136.5 | 227.5 | 340.5 | 455 | |
波形失真率(THD) (線性負載) | ≤3% | ||||||||
動態響應時間 (負載0←→100%) | 2ms | ||||||||
功率因數(PF) | 0.8 | ||||||||
過載能力 | 110%,10分鍾、200%,10秒 | ||||||||
峰值係數(CF) | 3:1 | ||||||||
逆變效率 | ≥90% | ||||||||
工 作 環 境 | 絕緣強度(輸入和輸出) | 1500VAC,1分鍾 | |||||||
噪音(1米) | ≤65dB | ||||||||
使用環境溫度 | -10℃~+50℃ | ||||||||
濕度 | 0~90%,不結露 | ||||||||
使用海拔(m) | <2000(>2000m需降容使用) | ||||||||
指示燈 | 市電,逆變 | ||||||||
顯示方式 | LED數碼管/觸摸屏(可選) | ||||||||
保護功能 | 輸入接反保護、輸入欠壓保護、輸入過壓保護、輸出過載保護、輸出短路保護,過熱保護. | ||||||||
2. 三相光伏/風力離網逆變器
係統工作原理
樱桃视频免费观看视频大全在逆變正常時,直流逆變輸出經過切換開關直接輸出給負載供電,當逆變故障時,電源可以迅速切換至旁路供電狀態,轉換時間≤200ms(精密負載可選配<10ms的快切款),給負載提供不間斷供電,當逆變再次正常時,電源會自動切換至逆變供電模式;具體原理如下圖:

三相樱桃视频免费观看视频大全原理示意圖
三相樱桃视频免费观看视频大全顯示頁麵
1) 主頁麵

2) 故障顯示子頁麵

3) 數據顯示子頁麵

三相樱桃视频免费观看视频大全技術指標
型號 | KNS—S—*K | ||||||||
功率(KVA) | 10K | 30K | 60K | 100K | 200K | 500K | 800K | 1000K | |
直流 輸入 | 輸入額定電壓(VDC) | 48V、96V、120V、192V、240V、360V、420V、480V | |||||||
輸入電壓可定製 | 24V-1000V區間可定製 | ||||||||
交流 輸入 | 允許輸入電壓範圍(VAC) | 380±15% | |||||||
輸入頻率範圍(Hz) | 50Hz±5Hz | ||||||||
旁路轉換時間(ms) | ≤200或<10(選配) | ||||||||
交流 輸出 | 輸出額定電壓及頻率 | 380VAC,50Hz | |||||||
輸出電壓精度(V) | 380±1% | ||||||||
輸出頻率精度(Hz) | 50±0.1% | ||||||||
輸出額定電流(A) | 15.2 | 45.6 | 91.2 | 152 | 304 | 760 | 1216 | 1520 | |
波形失真率(THD) (線性負載) | ≤3% | ||||||||
動態響應時間 (負載0←→100%) | 2ms | ||||||||
功率因數(PF) | 0.8 | ||||||||
過載能力 | 110%,10分鍾、200%,10秒 | ||||||||
峰值係數(CF) | 3:1 | ||||||||
逆變效率 | >90%(80%阻性負載) | ||||||||
工 作 環 境 | 絕緣強度(輸入和輸出) | 1500VAC,1分鍾 | |||||||
噪音(1米) | ≤65dB | ||||||||
使用環境溫度 | -10℃~+50℃ | ||||||||
濕度 | 0~90%,不結露 | ||||||||
使用海拔(m) | ≤2000(>2000m需降容使用) | ||||||||
指示燈 | 市電、逆變 | ||||||||
顯示方式 | LED數碼管/觸摸屏(可選) | ||||||||
保護功能 | 輸入接反保護、輸入欠壓保護、輸出過載保護、輸出短路保護,過熱保護. | ||||||||
技術支持
聯係樱桃视频APP下载
地址:江蘇省常州市武進區湖塘科技產業園
電話:0519-81695559
傳真:0519-83995559
手機:13376265559(沈經理)
E_mail:13376265559@qq.com
網 址:www.mysinga.com
資深團隊,為您免費提供樱桃在线视频解決方案,您還在等什麽?